+966557912129
Request a Quote
Home
About us
Showrooms
SAUDI ARABIA
RIYADH
JEDDAH
DAMMAM
BAHRAIN
products
Industrial Printers
LINX
Continuous Inkjet Printers
Thermal Transfer Printers
Laser Coders
Linx PrinterNet
Large Character Printers
Inks and Fluids
RNMARK
TIJ Inkjet printer
Inks
Packaging Equipment
FILMA
Pallet wrapper
Taping machines
Movement
Other Machines
EXTEND
CARTON SEALER
PALLET WRAPPER
STRAPPING MACHINE
HEAT SHRINKING MACHINE
ATHAPACK
Vertical Form Fill and Sealing (VFFS) packaging machines
Horizontal Motion Vertical Filling Packaging Machines
Grouping Machines
Fastener and Connection Equipment Packaging Machines
Filling Units
Accessories
Weighing & Lab Equipment
OHAUS
Balances & Scales
Instruments
Laboratory Equipment
Weights
Accessories and Printers
Labeling
WEBER Labeling systems
Automatic labelers
Label applicators
Label Printers
Label printer applicators
Zebra Label Printers
Desktop Label Printers
ID Card Printers
Industrial Label Printers
Inspection & Quality Control
prisma
PRISMA Checkweighers
PRISMA Metal Detectors
PRISMA Integrated Machines
PRISMA X-Ray Inspection
Sectors
OUR BRANDS
Request a Quote
Knowledge
Contact us
English
العربية
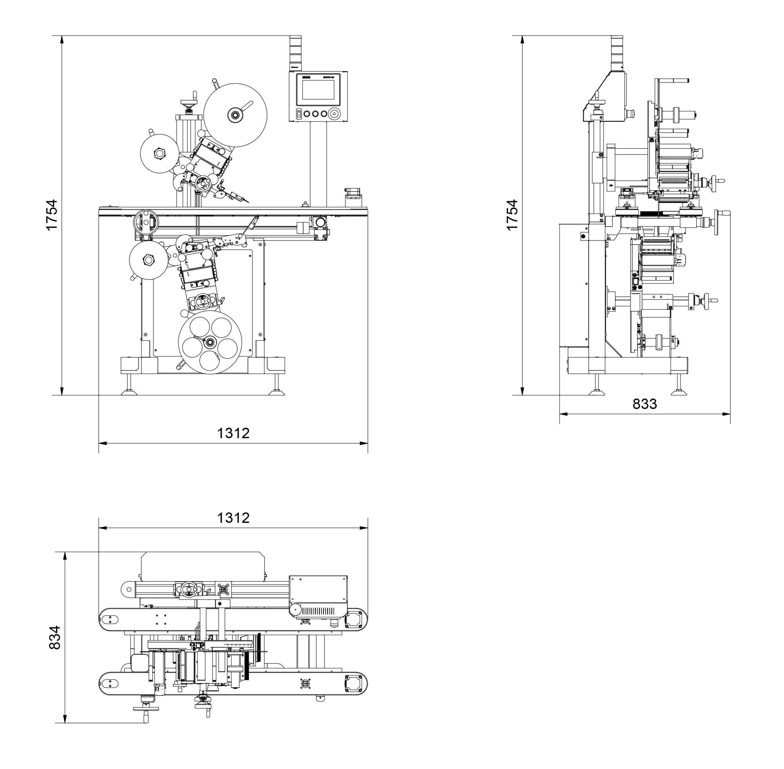
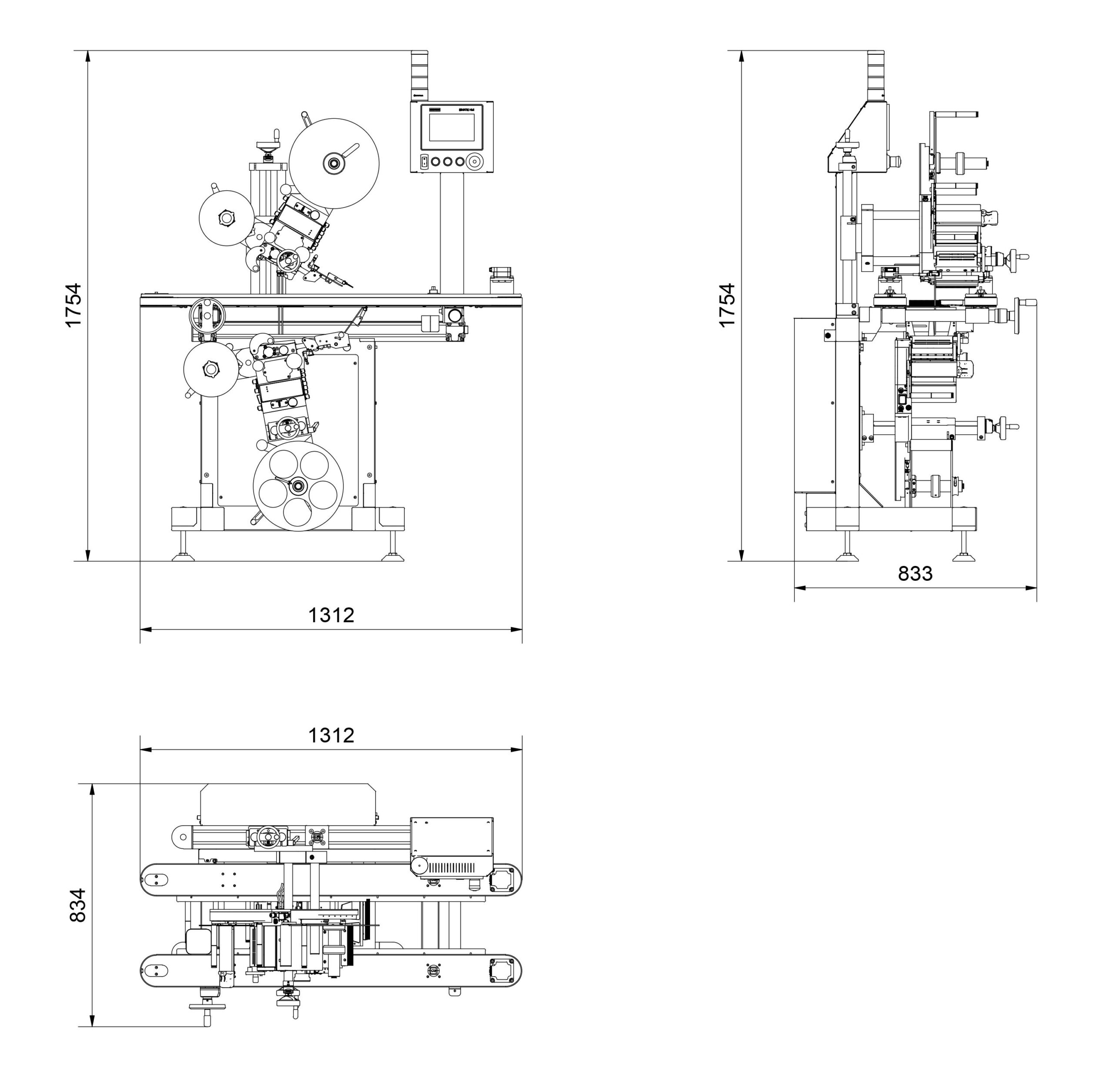
Geset 247
Top and bottom labeling for products that are transported clamped due to their geometry
Please, activate
Compare
option to use this widget.
Categories:
Labeling
,
Automatic labeling machines
,
Weber Labeling systems
Description
Geset 247
Top and bottom labeling for products that are transported clamped due to their geometry
2 labels per product
Compact, easy to integrate design
Expandable with printing technologies for variable data
Label size min. 20 x 25 mm, max. 135 x 300 mm
Labels up to 300 products/min
Request a Quote
Please enable JavaScript in your browser to complete this form.
Quantity Request
Name
*
Email
Phone
*
Company
Request
Quantity :
*
Submit